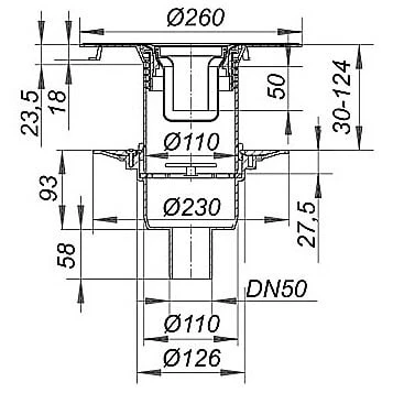
Dallmer Bodenablauf 30 N, DN 50
Eigenschaften:
- für einteilige Naturstein-Duschtassen
- Ablaufstutzen DN 50 senkrecht
- Montage und Verstärkungsblech aus Edelstahl 1.4404
- TistoDrain Aufstockelement N mit Vlies-kaschiertem Flansch
- herausnehmbarer Geruchverschluss Einsatz
- Sperrwasserhöhe 5 cm
- Gleitdichtung für Klebebettdicke 0- 2 cm
- Rückstaudichtung
- Bauschutzdeckel
- Material Polypropylen
- Ablaufleistung: 0,8 l/s







Rezensionen
Es gibt noch keine Rezensionen.